Le centre des Etats-Unis balayé du nord au sud par le radar ASAR du satellite européen ENVISAT
![]() | → → → |
Trois extraits d’une scène complète prise le 6 mai 2011 par le radar ASAR du satellite
européen Envisat. Petit jeu pour se repérer au radar : où est Chicago ? Trouvez les champs de
maïs et le fleuve Ohio. Crédit image : Agence Spatiale Européenne (ESA).
Les illustrations ci-dessus sont toutes extraites de la même scène acquise par le radar ASAR du satellite européen Envisat le 6 mai 2011 à 15h56 UTC. La longue bande à gauche est une version très réduite de la scène complète : en pleine résolution, celle-ci compte 18480 lignes de 1037 pixels. A droite, les trois images extraites de cette scène. En haut, la ville de Chicago et la rive du lac Michigan. Au centre et en bas, deux images montrant le fleuve Ohio et les inondations. Ces images illustrent les inondations du Mississipi et de son affluent l'Ohio. Sur un même scène, on a surtout trois exemples typiques de signature radar : une zone urbaine (Chicago au nord, le gros point très blanc en haut à gauche de la première image), une zone de grandes cultures (maïs et soja au niveau de la ville de Robinson dans l'Illinois), une zone inondée au sud (à la jonction entre les fleuves Ohio et Wabash).
Noir, blanc ou gris : quelques réflexions sur le fonctionnement du radar…
Les cours d’eau et les zones inondées apparaissent en noir dans l’image : la surface de l’eau, lorsqu’elle est calme, crée une réflexion spéculaire (du latin speculum qui veut dire miroir) du signal radar : Les surfaces horizontales lisses réfléchissent la presque totalité des ondes incidentes dans une direction opposée au radar et se présentent sous forme de zones foncées dans les images radar. Au contraire, quand le faisceau micro-ondes rencontre une surface rugueuse, il est diffusé dans plusieurs directions. On appelle cela une réflexion diffuse. Les surfaces couvertes de végétation produisent une réflexion diffuse et apparaissent en teintes claires dans les images radar. Les cours d’eau contrastent ainsi avec les zones agricoles plus claires et plus texturées.
Attention, tout ce qui est foncé n’est pas de l’eau : on trouve aussi des autoroutes par exemple… C’est également cette propriété de réflexion spéculaire qui est utilisée par la détection des nappes d’hydrocarbures, rejets accidentels ou volontaires des pétroliers : l’eau, couverte d’une fine nappe d’huile, est plus « lisse » : la nappe de pétrole apparaît sombre et contraste avec l’eau libre plus agitée. Evidemment, cela dépend aussi du vent et de la hauteur des vagues et cette propriété n’est plus valable si la mer est trop calme ou trop agitée.
Les principaux types de réflexion du signal radar selon la nature de la zone observée.
Crédit image : Gédéon (Planète Sciences Midi-Pyrénées).
Dans les zones urbaines, vous voyez au contraire des zones blanches ou des amas de points blancs (comme à Chicago au bord du lac Michigan) : de petits objets peuvent apparaître sous forme de points très clairs dans les images radar. Cet effet dépend de la géométrie de l’objet : la façade d’un édifice ou les éléments d’un pont combinés à la réflexion du sol créent des réflecteurs qui ressemblent à un « coin de cube ».
Des pièces de bicyclette sur la Lune...
Cette forme, constituée de trois plans perpendiculaires dont l’angle rentrant est orientée vers le radar, renvoie le signal qui l’éclaire (optique ou radar) dans la direction d’où il a été émis. C’est ce principe qui est utilisé sur le catadioptre de votre bicyclette (en tout cas sur les modèles qui ne sont pas équipés d’éclairage à LED). En télédétection, on équipe parfois certains sites de réflecteurs en coin pour créer des repères sur les images radar, par exemple lorsqu’il n’y a pas de réflecteurs naturels (zones désertiques, sol nul, etc.). Les astronautes des missions Apollo et les sondes soviétiques Lunokhod ont installé sur la Lune cinq réflecteurs en coins de cube. Ils servent toujours à mesurer précisément la distance Terre-Lune par laser.
Dessin illustrant le fonctionnement d’un coin de cube ou d’un catadioptre de bicyclette.
Faire attention à son image pour être bien vu de partout…
La rugosité d’une surface dépend de la longueur d’onde et de l’angle d’incidence du signal radar utilisé. On considère qu’une surface est lisse si ses différences de hauteur sont beaucoup plus petites que la longueur d’onde du radar. La rugosité augmente aussi avec l’angle d’incidence. Les fréquences radar, dans la bande de 0,3 GHz à 300 GHz environ, correspondent respectivement à des longueurs d’onde de 1 mètre à 1 millimètre. En pratique, on utilise des bandes de fréquences désignées, par convention, par des lettres.
| Bande | Longueur d'onde | Fréquence | Exemples |
| Bande X | de 2,4 à 3,75 cm | de 8 à 12,5 GHz | TerraSAR-X, TanDEM-X Cosmo Skymed |
| Bande C | de 3,75 à 7,5 cm | de 4 à 8 GHz | ERS-1, Envisat, Radarsat, Sentinel-1 |
| Bande S | de 7,5 à 15 cm | de 2 à 4 GHz | ALMAZ |
| Bande L | de 15 à 30 cm | de 1 à 2 GHz | SEASAT, JERS-1, PALSAR sur ALOS, Shuttle SIR |
| Bande P | de 30 cm à 100 cm | de 300 MHz à 1 GHz | SETHI, BIOMASS JPL AIRSAR |
Deux autres paramètres sont à prendre en compte :
- Le degré d’humidité intervient aussi : en augmentant la constante diélectrique, l’humidité modifie la capacité d’absorber, de réfléchir ou de transmettre des micro-ondes. L’humidité présente dans la matière en modifie les propriétés électriques. En général, la réflectivité (et donc l’intensité de l’image radar) de la végétation augmente avec le taux d’humidité.
- Les caractéristiques du matériau en volume sont également importantes, avec une diffusion qui modifie la rétrodiffusion mesurée par le capteur radar.
Les micro-ondes peuvent pénétrer la matière sèche, comme le sable dans les déserts. En général, plus la longueur d’onde du radar est grande, plus le signal pénètre profondément dans la matière.
Un peu de pédagogie sur le radar, ça change des radars pédagogiques ...
Connus surtout pour sa capacité à voir à travers les nuages et la nuit, les satellites radar ont donc également l’avantage de pouvoir percevoir des caractéristiques qui ne peuvent être discernées par les capteurs visibles et qui ressortent mieux sur des images radar. C’est le cas des glaces et des vagues, de l’humidité des sols et la biomasse végétale, des structures fabriquées par l’homme ou les structures géologiques.
Chicago, 3ème ville des Etats-Unis, dans l'état de l'Illinois. Connue pour son architecture de
gratte-ciel (dont la Sears Tower), la bourse des matières premières agricoles (blé et soja), la
prohibition, les gangs et Al Capone et la fameuse "Chicago flood" de 1992, c'est aussi un
catadioptre géant pour être sûr que la ville soit bien visible sur les images des satellites radar.
Le paradis des coins de cube et des réflecteurs trièdres. Photographie prise le 8 mai 2011.
Crédit image : Gédéon.
Une dernière caractéristique des satellites radar est la possibilité de maîtriser la polarisation (l’orientation de la composante électrique d’une onde électromagnétique), verticale ou horizontale. Quand les ondes émises et captées ont la même direction de polarisation, on parle de polarisation parallèle (HH pour des ondes émises et captées horizontalement et VV pour des ondes émises et captées verticalement).
Lorsque les ondes émises et captées sont polarisées perpendiculairement l’une par rapport à l’autre, elles sont en polarisations croisées : HV désigne une émission horizontale et une réception verticale et VH désigne une émission verticale et une réception horizontale.
Lorsque l’onde radar atteint une surface et en est diffusée, la polarisation peut être modifiée en fonction des propriétés de la surface. Cette mesure de polarisation permet de déterminer le type de surface à partir de l’image.
Je n’aborde pas ici les effets liés au relief : déplacement vers le capteur des objets les plus hauts, ombre radar, effet de rapprochement, déversement, etc. Ce sujet mérite un article à part entière. Revenons à nos inondations...
4 i, 4 s, 2 p et beaucoup d’eau : les inondations du Mississippi.
Depuis quelques mois, les Etats-Unis ont été touchés par une série d’évènements climatiques extrêmes : inondations, sécheresses et tornades. Les états concernés sont tous ceux situés au sud des États-Unis, comme le Tennessee, l'Arkansas, le Mississippi, l'Illinois, le Missouri, ou encore le Kentucky et la Louisiane.
En avril et mai 2011, Le Mississippi, qui traverse une dizaine d'états des États-Unis, a connu des crues importantes, causées par des pluies torrentielles et le dégel suivant les fortes chutes de neige de l’hiver. Des villes situées le long des rives du fleuve et ses affluents ont été inondées.
| | |
Trois images acquises par le capteur optique MODIS des satellites Aqua et Terra : à gauche, une image
du 30 janvier 2011 qui montre la couverture de neige. Au centre, le 8 mai, au plus fort des inondations.
A droite, un mois plus tard, le 7 juin 2011, après le retour à une situation plus normale. Cliquer
sur les images pour les voir en pleine résolution (500 mètres).
Crédit image : NASA/GSFC, MODIS Rapid Response.
La représentation en couleurs des images MODIS, selon la combinaison « 721 » utilise les bandes spectrales 7 (infrarouge thermique, centrée sur la longueur d’onde 2,155 µm), 2 (proche infrarouge à 0,876 µm), et 1 (rouge, centrée sur la longueur d’onde 0,670 µm). Ces trois bandes sont respectivement associées aux canaux rouge, vert et bleu de l’écran de visualisation. Dans cette représentation La végétation active, en raison de la synthèse chlorophyllienne, apparaît en vert intense. Les sols nus sont bruns. L’eau apparaît en noir et en bleu foncé s’il y a des sédiments en suspension (voyez en particulier l'image du milieu). Les nuages de glace en altitude, plus froids et rayonnant moins dans l’infrarouge thermique, absorbent également le proche infrarouge, comme la neige au sol sur l'image de gauche : ils apparaissent bleutés. Les autres nuages sont blancs, les petites gouttes d’eau diffusant de manière équivalente les bandes visibles et proche infrarouge.
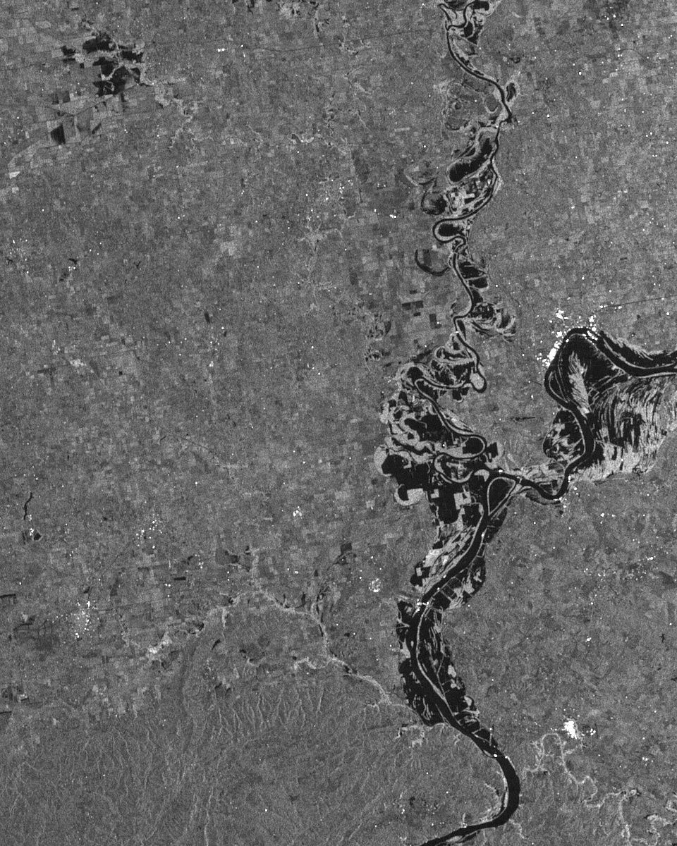
Une série d’images radar du fleuve Ohio au niveau d’Uniontown
La situation a été critique à Cairo dans l’Illinois, à proximité de la confluence entre les fleuves Ohio et Mississippi. Au début du mois de mai, le fleuve a atteint un niveau de 20 mètres, débordant les digues de protection et obligeant les habitants à évacuer la ville.
L’armée a volontairement fait sauter une digue de protection pour faciliter la baisse du niveau d’eau, au prix de l’inondation de près de 130 000 hectares de terres agricoles. Cette tactique a déclenché la colère des habitants des zones concernées : ils ne comprenaient pas pourquoi leurs terres et leurs maisons étaient sacrifiées. Il s’agissait de protéger la ville de la Nouvelle-Orléans, menacée par de nouvelles inondations, six ans après le passage de l’ouragan Katrina.
Les images radar ci-dessous, toutes prises par le capteur ASAR du satellite Envisat, sont centrées sur les villes d’Uniontown (Kentucky) et Mount Vernon (Indiana), le long du fleuve Ohio, à la confluence avec le fleuve Wabash qui vient du nord. A cet endroit, c’est la frontière entre trois états, l’Illinois (à l’ouest), le Kentucky (au sud-est) et l’Indiana (au nord-est). Cairo est à environ 120 kilomètres au sud-ouest. Ces images permettent de se rendre compte de la différence entre la situation normale et celle de mai 2011.
| | |
Trois extraits d’images acquises par le radar ASAR du satellite européen Envisat. De gauche à droite, image du 26 novembre 2010 à 15h56 UTC, du 7 mars 2011 à 15h56 UTC et du 6 mai 2011 à 15h56 UTC.
Crédit image : Agence Spatiale Européenne (ESA).
L'image de gauche a été prise en mode APM (Alternate Polarization Medium resolution), un des modes du capteur ASAR qui reçoit deux signaux de polarisations différentes en même temps. La fauchée est de 100 kilomètres et la résolution spatiale d'environ 150 mètres.
Des photographies prises par l’équipage de la station spatiale internationale (ISS)
Les membres de l’équipage de l’ISS ont également été témoins de ces inondations depuis leur orbite à 300 kilomètres d’altitude.
| | |
Trois photographies des inondations du Mississippi prises par le 12 mai 2011 par un membre de
l’expédition 27 de la station spatiale internationale. Téléobjectif de 400 mm de focale. A gauche et à
droite, le nord est vers la partie inférieure de la photo (23). Au centre, le nord est vers le coin
inférieur droit. Crédit image : NASA.
La première image couvre les environs de la ville de New Madrid (Missouri), visible en haut à droite. Les parcelles agricoles sont inondées mais la route surélevée semble intacte.
Sur l’image du milieu, partiellement couverte par des nuages blancs, on voit également les terres agricoles sous l’eau. Il s’agit d’une région à cheval entre le Missouri et le Tennessee, entre les villes de Caruthersville et Ridgely.
La troisième image montre une zone à l’est de Blytheville, entre l’Arkansas et le Tennessee. Sur la droite de l’image, les terres agricoles de l’Arkansas sont protégées de l’inondation par une digue alors que Ruckers Place et Tomato sont entourés d’eau.
Pour finir, voici deux images à haute résolution de l’aéroport DeWitt Spain au nord-ouest de Memphis dans la Tennessee, acquises par le satellite Ikonos de la société GeoEye. L’aéroport est toujours fermé à cause des inondations. Sans commentaires ou presque : la résolution ne fait pas tout. L’image ici est extrêmement détaillée. Par contre, pour analyser un évènement de grande ampleur dans sa globalité, c’est la capacité à couvrir toute une zone qui est importante. En pratique, dans le cas d’une catastrophe naturelle, on privilégiera tel ou tel satellite : la très haute résolution pour une cartographie détaillée d’une zone bien déterminée ou au contraire un champ large pour établir une vue d’ensemble de la situation. En Europe, en cas d’activation du service GMES de réponse aux situations d’urgence (SAFER), les équipes responsables des opérations (Astrium Services) conseillent les protections civiles pour utiliser les moyens spatiaux les mieux adaptés à chaque situation.
| |
Deux images du satellite américain Ikonos de l’aéroport DeWitt Spain de Memphis (Tennessee).
A gauche, une image d’archive datant du 18 avril 2006. A droite, une image acquise le 10 mai 2011.
La résolution est réduite d'un rapport 2,5 par rapport à l'image d'origine. Crédit image : GeoEye.
En savoir plus :
- Des photos des inondations sur le terrain, sur le site slate.fr, sur le site cyberpresse.ca et sur le site Big Picture.
- D’autres articles du blog Un autre regard sur la Terre sur les évènements climatiques récents aux Etats-Unis : Etats-Unis : dans le Missouri, les dégâts de la tornade de Joplin vus d’avion et Tornades en Alabama : la trajectoire et les dégâts à Tuscaloosa vus par les satellites d’observation et les systèmes météorologiques
- Une page sur le satellite européen Envisat.
- Le site MIRAVI de l'Agence Spatiale Européenne (ESA) pour accéder aux images MERIS et ASAR acquises par le satellite européen Envisat.
- Sur le site de l'ESA, le guide d'utilisation (en anglais) du capteur ASAR et un glossaire (également en anglais) sur la technique RADAR /SAR.
- Des articles sur le satellite TerraSAR-X : Le satellite radar Terrasar-X observe la station spatiale internationale, Louisiane : la marée noire dans le Golfe du mexique s'aggrave. La situation vue par le satellite Terrasar-X.
- Deux articles sur le lancement et les premières images de TanDEM-X.
- Sur le site du centre canadien de télédétection, un cours en français sur l’observation de la Terre par les satellites radar.
Suggestions d’utilisations pédagogiques en classe :
- Voir les suggestions sur la télédétection par radar et le fonctionnement des satellites radar dans la série d’article sur la marée noire dans le golfe du Mexique.
Votre avis sur cet article ?
| Vous trouvez cet article intéressant ? Vous avez un commentaire à formuler ou une question à poser ? Une suggestion d'article complémentaire... Ou encore un retour d'expérience d'exploitation en classe ou dans un autre cadre (cela m'intéresse beaucoup pour l'évaluation du blog Un autre regard sur la Terre). Merci d'utiliser le lien ci-dessous "écrire un commentaire". Si vous aimez, utilisez les différents boutons proposés pour le faire connaître à vos amis. Avec votre smartphone, vous pouvez également utiliser le QR code à droite (cliquer sur le code pour l'afficher en plus grande taille). | ![]() |
















